Gaine thermorétractable transparente ratio 2:1 tenue 135°C
search
  • Gaine thermorétractable transparente ratio 2:1 tenue 135°C
    search
  • Image de rétreint 2:1
    search

Manchon thermorétractable à paroi simple rétreint 2:1 tenue 135°C, très flexible

71,44 €
TTC

59,54 € HT

En stock - livré sous 24h
101.0127.99.0050.0

Gaine thermorétractable 2:1 en polyoléfine réticulée, souple, auto-extinguible, résistante aux UV (noir) et aux solvants. Plage de température de –55 °C à +135 °C. Excellente rigidité diélectrique (20 kV/mm). Conforme UL 224, RoHS, REACH. Tous les manchons, sauf le transparent, sont fabriqués en Europe.

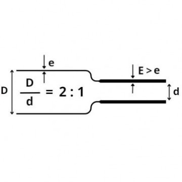
Diamètre AVANT/ après (ratio 2 :1): 12.7 / 6.4
Couleur: Transparent
Packaging: Bobine
Nos bobines toutes couleurs et en stock
Quantité

Personnalisation du produit

N'oubliez pas de sauvegarder votre personnalisation pour pouvoir ajouter au panier
  • 250 caractères. Max

Manchon thermorétractable à paroi simple rétreint 2:1 tenue 135°C, très flexible

Détails :

La gaine thermorétractable à paroi fine de type PF2-135 est une solution incontournable pour les professionnels recherchant un produit fiable pour l’isolation, la protection ou l’identification de câbles et composants. Les manchons distribués par ACLP sont de fabrication européenne, donc de très haute qualité. Ils sont fabriqués en polyoléfine réticulée. Cette gaine combine souplesse, robustesse et performances thermiques élevées. Son ratio de rétreint 2:1 lui permet d’épouser étroitement des formes cylindriques, même légèrement irrégulières, ce qui facilite les opérations de gainage en atelier ou sur chantier.

Grâce à ses propriétés électriques excellentes, avec une rigidité diélectrique de 20 kV/mm, elle isole efficacement les connexions dans les armoires électriques, les faisceaux de câbles ou les capteurs. Son comportement à haute température (jusqu’à 135°C en continu) et sa tenue au vieillissement thermique permettent son usage durable même dans des environnements soumis à des cycles thermiques intenses, comme en maintenance industrielle ou en intégration d’équipements embarqués. En noir, la gaine résiste aussi aux UV, ce qui la rend adaptée aux installations extérieures.

Sur le plan de la sécurité, elle est classée autoextinguible selon UL 224 (hors version transparente) et ne goutte pas en cas de surchauffe, ce qui limite les risques de propagation d’incendie. Elle répond à plusieurs normes industrielles reconnues telles que AMS-DTL-23053/5, UL 224, CSA C22.2 et aux directives environnementales RoHS et REACH.

Facile à stocker, souple à manipuler même à basse température, la gaine thermorétractable à paroi fine de type PF2-135 se décline en une large gamme de diamètres (de Ø 0,6 mm à Ø 101,6 mm) et en différents coloris selon les besoins d’identification. Elle est livrée en barres de 1 m ou en bobines, avec des longueurs allant jusqu’à 150 m. Cette souplesse de conditionnement permet de l’intégrer facilement dans un processus de fabrication, de câblage ou de maintenance, aussi bien pour des usages ponctuels que pour des besoins en série.

Manchon thermorétractable ratio 2:1 tenue 135°C

Télécharger (784.85KB)
Dénomination Détail
Longueur produit 50.00 m
Diamètre avant rétreint 12.70 mm
Diamètre minimal après rétractation 6.40 mm
épaisseur maximale paroi après rétractation 0.64 mm
Couleur produit Transparent
Transparent bonne transparence
Packaging Bobine
Forme de la section de la gaine aplatie
Minimum de commande 1 minimum
Adhésif non
Rapport de rétreint 2:1
Matière polyoléfine réticulée
Plage d'utilisation en température -55° à +135°C
Température maximum d'utilisation 135 °C
Température minimale de rétractation complète (°C) 100 °C
Température minimale de rétractation (°C) 70 °C
Rigidité diélectrique 20 kV/mm
Retardateur de flamme Oui
Autoextinguible oui (sauf le transparent)
Homologation UL / CSA UL 224, file E228117, CSA C 22.2 No. 198.1-98
MIL-SPEC SAE-AMS-DTL-23053/5 class 1 and 2 Oui
Résistant aux UV oui (sauf transparent)
Flexibilité Très bonne
RoHS Oui
Reach Oui
Imprimable Oui
Réduction de longueur De 0 à 3 %
Aspect mat
Vierge de tout marquage Oui
Type produit PF2-135